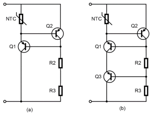
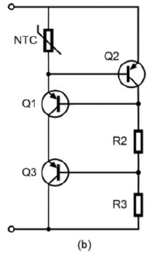
台達電子股份有限公司(以下簡稱「台達」)特此通知您,有關 Arena Sport 系列 LED 模組 NTC 偵測電路要求的必要修改/變更。我們刪除 NTC 電路(a)保留 NTC 電路(b),但電路中元器件的所有參數保持不變(見表)。這項新要求的目的是確保溫度採樣精度和抗干擾能力的一致性。
這些變更不會對產品的其他功能或產品效能產生任何影響。
| 之前版本 | 新版本 |
|
|
如果您需要任何進一步的說明,請透過我們的聯絡我們表格與我們聯絡。
Model List:
| Model Name | Implementation Date |
| EUCO-1K8200GCA | 2025/09/01 |
| EUCO-1K6200GCA | |
| EUCO-1K2200GCA | |
| EUCO-1K2120RCA | |
| EUCO-2K1200GIA | |
| EUCO-2K1200GDA | |
| EUCO-1K4200GIA | |
| EUCO-1K4200GDA | |
| EUCO-600200GIA | |
| EUCO-600200GDA | |
| LNA-1K8C20ABFGB | |
| LNA-1K6C20ABFGB | |
| LNA-1K2B20ABFGB | |
| LNA-1K2D12ABFGB |

