
Delta three-phase power supplies (Force-GT, DIN Eco, and CliQ M Series) are designed to operate in TT, TN-S, TN-C, and IT earthing systems according to IEC 60364. While the grounding system does not change the core power conversion function, it directly affects EMC performance, fault protection, and system reliability.
Understanding the differences between earthing systems ensures safe installation and optimal industrial performance.
Overview of IEC 60364 Earthing Systems
According to IEC 60364, electrical power distribution systems are classified into four categories based on the type of earthing arrangements. These are TT, IT, TN-S and TN-C systems. Each system defines how:
- Neutral is grounded
- Protective Earth (PE) is arranged
- Fault currents return to the source
Delta’s Three-Phase Power Supply Families
Delta offers three three-phase power supply families for different environmental, technical, and business requirements:
- Force-GT Series – High power density, high power efficiency, and super compact industrial power supplies
- DIN Eco Series – Cost-optimized DIN rail three-phase power supplies for general industrial environments
- CliQ M Series – Marine certified DIN rail power supplies for demanding environments
All of these series support three-phase AC input and are designed to operate safely and reliably under different earthing systems. Below introduces the three earthing systems and explains how Delta three-phase power supplies operate within these earthing systems.
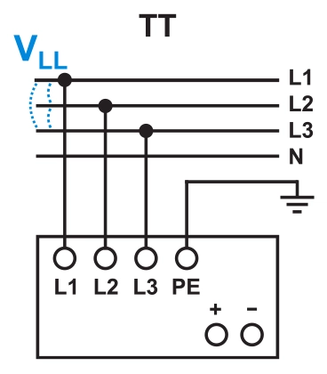
What Is a TT System?
In a TT (Terra-Terra) system, one point of the power source is directly connected to earth (FG – Frame Ground). The protective earth of the installation is connected to a local earth electrode. The neutral of the supply and the protective earth of the load are separated. It is EMC-friendly and can coexist with TN systems. The typical applications are factory installations with independent grounding systems and equipment sensitive to electromagnetic interference.

Delta Three-Phase Power Supplies in TT System
When using Delta Force-GT, DIN Eco, and CliQ M Series, in TT system, connect L1 / L2 / L3 to three-phase input, and connect FG to protective earth. They are suitable for industrial facilities and machinery installations and provide stable EMC performance.
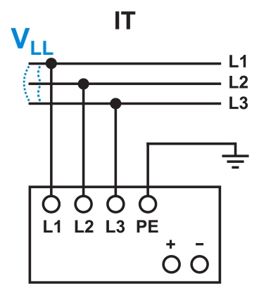
What Is an IT System?
In an IT (Isolated Terra) system, all live conductors are isolated from earth. In the event of a single ground fault, only a very small leakage current flows. The system can continue operating without immediate shutdown. Therefore, this system is common in high-reliability applications.

Delta Three-Phase Power Supplies in IT System
Force-GT and CliQ M Series are particularly suitable for applications requiring uninterrupted power, including marine environments, chemical plants, and critical industrial processes as they provide improved system availability and reduced risk of shutdown from single ground fault.
What Is a TN-S System?
In a TN-S system, Neutral (N) and Protective Earth (PE) conductors are separated throughout the entire system. It is the most common grounding system in modern industrial installations and provides stable grounding and good noise control.

Delta Three-Phase Power Supplies in TN-S System
Connect Delta three-phase power supplies to L1 / L2 / L3 (and N if required). Connect PE separately to protective earth. The power supplies are fully compliant with IEC industrial standards with optimized EMC performance. Some common applications are industrial automation systems, production lines, control cabinets, and power distribution panels.
What Is an TN-C System?
In a TN-C system, Neutral and Protective Earth are combined into a single conductor (PEN). All exposed conductive parts are connected to the PEN conductor. This system usually requires lower installation cost but is less ideal for EMC performance.

Delta Three-Phase Power Supplies in TN-C System
In a TN-C system, Delta three-phase power supplies operate with an L1 / L2 / L3 + PEN configuration, where the neutral and protective earth functions are combined into a single PEN conductor. It is essential to ensure the reliability and integrity of the PEN conductor, as it carries both protective and return current functions. For improved safety and electromagnetic compatibility performance, it is recommended to convert the system to a TN-S configuration at the equipment level whenever possible.
TN-C systems are generally not recommended for installations that require high EMC performance.
Technical Summary
Delta Three-Phase Power Supplies (Force-GT, DIN Eco, and CliQ M Series):
✔ Support multiple three-phase AC input configurations
✔ Operate under TT, TN-S, TN-C, and IT earthing systems
✔ Comply with international EMC and safety standards
✔ Designed for global industrial power environments
While the earthing system does not change the fundamental function of the power supply, it influences:
- EMC performance
- Fault current path
- System reliability
- Protection design
Frequently Asked Questions
FAQ 1: Can Delta Force-GT, DIN Eco, and CliQ M Series operate in all major earthing systems?
Yes. Delta three-phase power supplies, including the Force-GT, DIN Eco, and CliQ M Series, are designed to operate in TT, TN-S, TN-C, and IT earthing systems. However, system performance such as EMC behavior and fault current characteristics may vary depending on the grounding configuration. TN-S is generally preferred for optimal EMC performance.
FAQ 2: Does the earthing system affect the functionality of the power supply?
No. The earthing system does not change the fundamental operation of the power supply, but it does influence system safety, electromagnetic compatibility (EMC), and fault current paths. Proper grounding ensures stable operation, compliance with safety standards, and minimized electrical noise.
FAQ 3: Which earthing system is recommended for industrial automation applications?
TN-S is typically recommended for industrial automation systems because it separates Neutral (N) and Protective Earth (PE), providing better EMC performance and system stability. For high-availability applications where uninterrupted operation is critical, IT systems may also be suitable.
Conclusion
Delta three-phase power supplies are engineered for compatibility with global earthing systems under IEC 60364. Selecting the appropriate grounding configuration enhances system safety, EMC performance, and operational reliability.
For technical support, application guidance, or local purchasing information, please contact us. For local purchase and service of Delta industrial and medical power supplies, please contact our authorized distributors.